Soggetti Attuatori : Flexitab srl, Victory srl, DACA-I srl.
GearUp: attività di consulenza tecnica e supporto specialistico
Il Team di GearUp ha partecipato allo sviluppo del progetto PON – NEOS “Natante Elettrico Off Shore” per la realizzazione di una propulsione ibrida parallela composta da due motori elettrici PMSM Parker, ciascuno da 155 kW (@6700 rpm) e da un motore Diesel da 184 kW (@4100 rpm), per una barca elettrica veloce (55 knots), in sostituzione di una propulsione convenzionale Diesel.

Il contributo specifico di GearUp s.r.l. ha riguardato la ideazione, la progettazione ed il supporto alla realizzazione del riduttore composito costituito da tre alberi di ingresso connessi ai motori e da un albero di uscita connesso all’elica. La dentatura degli ingranaggi è stata realizzata adottando la teoria High Sliding Gear (HSG) di tipo All-addendum. Il riduttore è costituito da due salti di velocità con rapporto di trasmissione pari a 6.7:1 per gli alberi connessi ai due motori/generatori elettrici (MG1 e MG2 di figura 1) e da un terzo salto con rapporto 3.94:1 connesso al motore termico Diesel (ICE).
In Figura 1 si mostra uno schema della propulsione ibrida Navale realizzato con una potenza complessiva utile all’elica pari a circa 500 kW (@1000 rpm) per una imbarcazione da diporto da circa 10 metri e con velocità massima di 55 nodi.

Figura 1. Schema costruttivo del propulsore ibrido parallelo per applicazione Navale e del riduttore realizzato per l’accoppiamento dei tre motori all’elica.
In Figura 2 è rappresentato il progetto CAD del riduttore HSG e della cassa, mentre in Figura 3 è raffigurato il riduttore realizzato ed assemblato.


Figura 2. (A SINISTRA) rappresentazione CAD della cassa; (A DESTRA) rappresentazione degli ingranaggi.

Figura 3. Realizzazione finale del riduttore per applicazione ibrida Navale.
Nell’ambito di questo progetto, sono state svolte anche attività di supporto specialistico, quali:
- la configurazione del sistema di misura del propulsore ibrido-elettrico (basato su HW National Instruments e SW LabView);
- attività di testing e post processing dei dati;
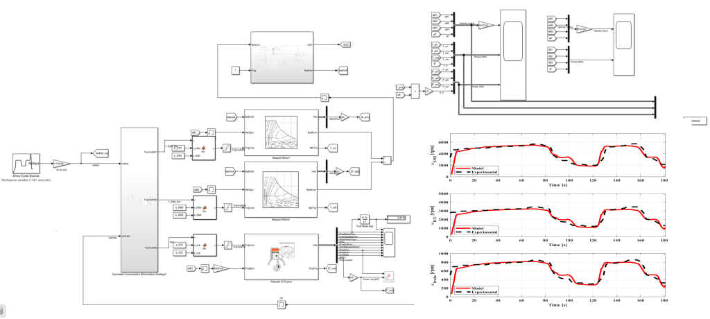
- sviluppo di un modello matematico del sistema propulsivo in Matlab/Simulink Figura 4 e validazione sperimentale;
- sviluppo di strategie di controllo del sistema propulsivo ibrido, basato sulla teoria di minimizzazione di un potenziale Hemiltoniano chiamata “Equivalent Consumption and Minimization Strategy” (ECMS) questa è stata poi testata in laboratorio in Real Time (RT).

Figura 4. Modello matematico del propulsore ibrido Navale realizzato in Matlab/Simulink.
Pubblicazioni
- Marialto, R., Brando, G., Dannier, A., Sementa, P., Cardone, M., & Fornaro, E. (2023). Modeling and Experimental Validation of a Hybrid Electric Propulsion System for Naval Applications(No. 2023-24-0131). SAE Technical Paper.
- Tordela, C., & Fornaro, E. (2023). An MPC-Based Strategy for Managing Energy in Hybrid Powertrains of Fast Boats(No. 2023-24-0025). SAE Technical Paper.
